Product Summary
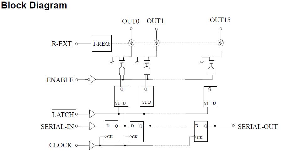
The DM134 is a constant current driver specifically designed for LED display applications. The value of constant current can be varied using an external resistor. The DM134 includes a 16-bit shift register, latches, and constant current drivers on a single Silicon CMOS chip.
Parametrics
DM134 absolute maximum ratings: (1)Supply Voltage, VDD: 0 to 7.0V; (2)Input Voltage, VIN: -0.4 to VDD+0.4V; (3)Output Current, IOUT: 100mA ; (4)Output Voltage, VOUT: -0.3 to 17 V; (5)Clock Frequency, fCLK: 25 MHz; (6)GND Terminal Current, IGND: 1600mA; (7)Power Dissipation (On 4-layer PCB), PD: 2.5W; (8)Thermal Resistance (On 4-layer PCB), Rth(j-a): 50.0℃/W; (9)Operating Temperature, Topr: -40 to 85℃; (10)Storage Temperature, Tstg: -55 to 150℃.
Features
DM134 features: (1)5V CMOS Compatible Input; (2)Maximum Clock Frequency: 25MHz (Cascade Operation); (3)Maximum Output Voltage: 17V; (4)Package: DIP24, SOP24, SSOP24, QFN32; (5)ackage and Pin Layout: Pin layout and functionality are similar to those of the ST2221C(Each characteristic value is different); (6)Constant Current Matching: (Ta = 25℃, VDD = 5.0V); Chip-to-Chip: ±10.0%; Bit-to-Bit:±4.0% @ IOUT = 30 to 90mA; ±6.0% @ IOUT = 20 to 30mA.
Diagrams

| Image | Part No | Mfg | Description | ![]() |
Pricing (USD) |
Quantity | ||||||||||
|---|---|---|---|---|---|---|---|---|---|---|---|---|---|---|---|---|
![]() |
![]() DM134B |
![]() Other |
![]() |
![]() Data Sheet |
![]() Negotiable |
|
||||||||||
| Image | Part No | Mfg | Description | ![]() |
Pricing (USD) |
Quantity | ||||||||||
![]() |
![]() DM1301-7R |
![]() |
![]() EURO-CASSETTE 50W 12V |
![]() Data Sheet |
![]()
|
|
||||||||||
![]() |
![]() DM1301-9R |
![]() Power-One |
![]() DC/DC Converters |
![]() Data Sheet |
![]()
|
|
||||||||||
![]() |
![]() DM134B |
![]() Other |
![]() |
![]() Data Sheet |
![]() Negotiable |
|
||||||||||
![]() |
![]() DM135B |
![]() Other |
![]() |
![]() Data Sheet |
![]() Negotiable |
|
||||||||||
(Hong Kong)










