Product Summary
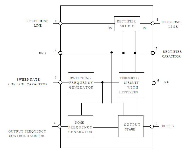
The LS1240AL is a monolithic integrated circuit and designed to be as a telephone ringer. It can drive a piezo-ceramicconverter(buzzer) directly. The output current capacity of LS1240AL is higher than standard ringer. For driving a dynamicloudspeaker, UTC LS1240AL needs only a decoupling capacitor toreplace the usual transformer in use.
Parametrics
LS1240AL absolute maximum ratings: (1)Calling Voltage (f=50Hz) Continuous: 120V; (2)Supply Current: 30mA; (3)Operating Temperature: -40 ~ +70℃; (4)Storage Temperature: -65 ~ +150℃.
Features
LS1240AL features: (1)Low current consumption; (2)Integrated rectifier bridge with zener diodes to overvoltageProtection; (3)Minimum external circuitry; (4)Both frequencies of tone and switching are adjustable by external components; (5)Integrated voltage and current hysteresis.
Diagrams

![]() |
![]() LS1240A |
![]() STMicroelectronics |
![]() Telephone Ringers Two-Tone Ringer |
![]() Data Sheet |
![]() Negotiable |
|
||||
![]() |
![]() LS1240AD1 |
![]() STMicroelectronics |
![]() Telephone Ringers Two-Tone Ringer |
![]() Data Sheet |
![]() Negotiable |
|
||||
![]() |
![]() LS1240AD1013TR |
![]() STMicroelectronics |
![]() Telephone Ringers Two-Tone Ringer |
![]() Data Sheet |
![]() Negotiable |
|
||||
![]() |
![]() LS125 |
![]() Other |
![]() |
![]() Data Sheet |
![]() Negotiable |
|
||||
![]() |
![]() LS125-100-RM |
![]() Other |
![]() |
![]() Data Sheet |
![]() Negotiable |
|
||||
![]() |
![]() LS125-101-RM |
![]() Other |
![]() |
![]() Data Sheet |
![]() Negotiable |
|
||||
(Hong Kong)









