Product Summary
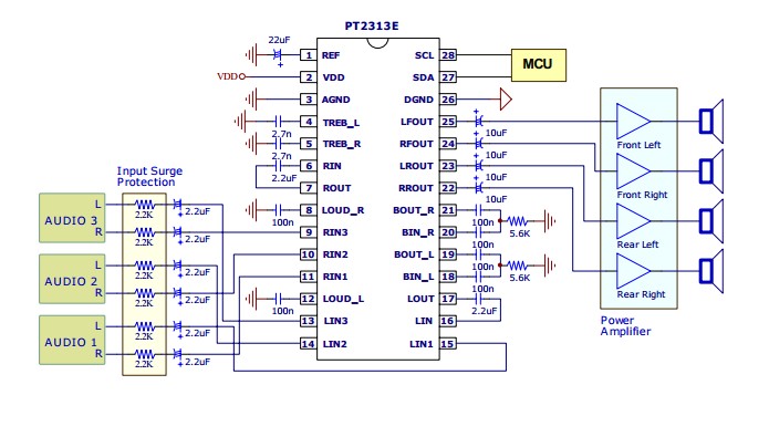
The PT2313E is an audio processor designed for versatile application, includes 3 stereo input selector with adjustable gain, master volume control with low frequency loudness compensation, individual output attenuator and tone control. The PT2313E is a good solution for the car audio signal processing. Due to the high reliability requirement from the car audio business, the PT2313E improves both audio performances and input surge current capability, these causes the device is the best solution for the cost-effective car audio systems. It is used for Car Audio, Home Audio System, Powered Speaker System.
Features
PT2313E features: (1)3 stereo inputs with gain selection, range from 0dB to +11.25dB in 3.75dB/step; (2)Master volume from 0 dB to -78.75dB in 1.25dB/step; (3)Speaker attenuator for balance and fader, range from 0dB to -38.75dB in 1.25dB/step; (4)Each channel output can be muted individually.; (5)Low frequency loudness compensation; (6)Bass and Treble control, range from -14dB to +14dB in 2dB/step; (7)Wide operation range (VDD = 4V to 10V); (8)Improved and replace PT2313L.
Diagrams

![]() |
![]() PT2300 |
![]() Other |
![]() |
![]() Data Sheet |
![]() Negotiable |
|
||||
![]() |
![]() PT2301 |
![]() Other |
![]() |
![]() Data Sheet |
![]() Negotiable |
|
||||
![]() |
![]() PT2303 |
![]() Other |
![]() |
![]() Data Sheet |
![]() Negotiable |
|
||||
![]() |
![]() PT2305 |
![]() Other |
![]() |
![]() Data Sheet |
![]() Negotiable |
|
||||
![]() |
![]() PT2307 |
![]() Other |
![]() |
![]() Data Sheet |
![]() Negotiable |
|
||||
![]() |
![]() PT2308 |
![]() Other |
![]() |
![]() Data Sheet |
![]() Negotiable |
|
||||
(Hong Kong)








