Product Summary
The SN65HVD1781D is a 70-V Fault-Protected RS-485 Transceiver. The device is designed to survive overvoltage faults such as direct shorts to power supplies, mis-wiring faults, connector failures, cable crushes, and tool mis-applications. The internal current-limit circuits allow fault survivability without causing the high bus currents that otherwise might damage external components or power supplies. The SN65HVD1781D combines a differential driver and a differential receiver, which operate from a single power supply. The applications of the SN65HVD1781D include: HVAC Networks, Security Electronics, Building Automation, Telecomm Equipment, Motion Control, Industrial Networks.
Parametrics
SN65HVD1781D absolute maximum ratings: (1)VCC Supply voltage: –0.5 to 7 V; (2)Voltage range at A and B inputs: –70 to 70 V; (3)Input voltage range at any logic pin: –0.3 to VCC + 0.3 V; (4)Voltage input range, transient pulse, A and B, through 100 Ω: –70 to 70 V; (5)Receiver output current: –24 to 24 mA; (6)TJ Junction temperature: 170 ℃; (7)IEC 60749-26 ESD (human-body model), bus terminals and GND: ±16 kV; (8)JEDEC Standard 22, Test Method A114 (human-body model), bus terminals and GND: ±16 kV; (9)JEDEC Standard 22, Test Method A114 (human-body model), all pins: ±4 kV; (10)JEDEC Standard 22, Test Method C101 (charged-device model), all pins: ±2 kV; (11)JEDEC Standard 22, Test Method A115 (machine model), all pins: ±400 V.
Features
SN65HVD1781D features: (1)Bus-Pin Fault Protection to > ±70 V; (2)Operation With 3.3-V to 5-V Supply Range; (3)±16 kV HBM Protection on Bus Pins; (4)Reduced Unit Load for up to 320 Nodes; (5)Failsafe Receiver for Open-Circuit, Short-Circuit and Idle-Bus Conditions; (6)Low Power Consumption: Low Standby Supply Current, 1 μA Max; ICC 4 mA Quiescent During Operation A; (7)Designed for RS-485 and RS-422 Networks; (8)Pin-Compatible With Industry-Standard SN75176.
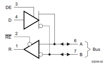
Diagrams

| Image | Part No | Mfg | Description | ![]() |
Pricing (USD) |
Quantity | ||||||||||||
|---|---|---|---|---|---|---|---|---|---|---|---|---|---|---|---|---|---|---|
![]() |
![]() SN65HVD1781D |
![]() Texas Instruments |
![]() RS-485 Interface IC 70V Fault-Protected RS-485 Xceivers |
![]() Data Sheet |
![]()
|
|
||||||||||||
![]() |
![]() SN65HVD1781DG4 |
![]() Texas Instruments |
![]() RS-485 Interface IC 70V Fault-Protected RS-485 Xceiver |
![]() Data Sheet |
![]()
|
|
||||||||||||
![]() |
![]() SN65HVD1781DR |
![]() Texas Instruments |
![]() RS-485 Interface IC 70V Fault-Protected RS-485 Xceivers |
![]() Data Sheet |
![]()
|
|
||||||||||||
![]() |
![]() SN65HVD1781DRG4 |
![]() Texas Instruments |
![]() RS-485 Interface IC 70V Fault-Protected RS-485 Xceiver |
![]() Data Sheet |
![]()
|
|
||||||||||||
(Hong Kong)









