Product Summary
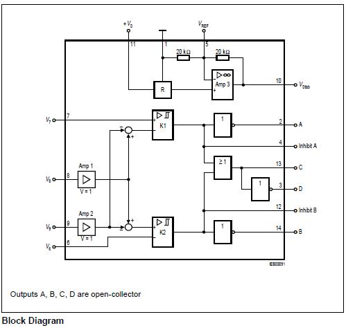
The TCA965B is a Window Discriminator. The digital outputs show whether the input voltage is below, within or above this window. The TCA965B is especially suitable as a tracking or compensating controller with a dead band in control engineering and for the selection of DC voltages within a certain tolerance of the required setpoint value in measurement engineering. When the TCA965B is used as a Schmitt trigger, switching frequencies up to a typical value of 50 kHz are possible.
Parametrics
TCA965B absolute maximum ratings: (1)Supply voltage (pin 11), VS: 30V max; (2)Difference in input voltage between pins 6, 7, 8, VI: 15V; (3)Input voltage (pins 6, 7, 8, 9), VI: 30V; (4)Output current (pins 2, 3, 13, 14), IQ: 50 mA; (5)Output voltage (pins 2, 3, 13, 14) independent of VS, VQ: 30V; (6)Voltage on VREF (pin 5), VR: 8 V; (7)Output current of stabilized voltage (pin 10), I10: 10 mA; (8)Inhibit input voltage (pins 4, 12), VIH : 7 V; (9)Junction temperature, Tj: 150℃; (10)Storage temperature, Tstg: -55 to 125℃.
Features
TCA965B features: (1)Two window settings: direct setting of lower and upper edge voltage (window edges); indirect setting by window center voltage and half window width; (2)Adjustable hysteresis; (3)Digital outputs with open collectors for currents up to 50 mA; (4)Adjustable reference voltage VStab.
Diagrams

| Image | Part No | Mfg | Description | ![]() |
Pricing (USD) |
Quantity | ||||||||||||
|---|---|---|---|---|---|---|---|---|---|---|---|---|---|---|---|---|---|---|
![]() |
![]() TCA965B |
![]() |
![]() IC WINDOW DISCRIMINATOR PDIP-14 |
![]() Data Sheet |
![]()
|
|
||||||||||||
| Image | Part No | Mfg | Description | ![]() |
Pricing (USD) |
Quantity | ||||||||||||
![]() |
![]() TCA940 |
![]() Other |
![]() |
![]() Data Sheet |
![]() Negotiable |
|
||||||||||||
![]() |
![]() TCA9406DCTR |
![]() Texas Instruments |
![]() I2C Interface IC Dual Bidirec 1MHz Vltg Lev-Trans |
![]() Data Sheet |
![]()
|
|
||||||||||||
![]() |
![]() TCA9406DCUR |
![]() Texas Instruments |
![]() I2C Interface IC Dual Bidirec 1MHz Vltg Lev-Trans |
![]() Data Sheet |
![]()
|
|
||||||||||||
![]() |
![]() TCA9406YZPR |
![]() Texas Instruments |
![]() Translation - Voltage Levels I2C-BUS and SMBus Vltg Lev-Translator |
![]() Data Sheet |
![]()
|
|
||||||||||||
![]() |
![]() TCA9509DGKR |
![]() Texas Instruments |
![]() Translation - Voltage Levels Lvl Translating I2C Bus Repeater |
![]() Data Sheet |
![]()
|
|
||||||||||||
![]() |
![]() TCA9509RVHR |
![]() Texas Instruments |
![]() I/O Expanders, Repeaters & Hubs Level Translating I2C Bus Repeater |
![]() Data Sheet |
![]()
|
|
||||||||||||
(Hong Kong)










