Product Summary
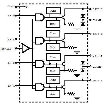
The CA3262E is an Inverting Power Driver which is used to interface low-levellogic to high current loads. Each Power Driver has four inverting switches consisting of a non-inverting logic input stage and an inverting low-side driver output stage. All inputsare 5V TTL/CMOS logic compatible and have a common Enable input. Each output device of the CA3262E has independent current limiting (ILIM) and thermal limiting (TLIM) for protection fromover-load conditions. Steering diodes connected from each output (in pairs) to the Clamp pins may be used in conjunction with external zener diodes to protect the IC against over-voltage transients that result from inductive load switching. To allow for maximum heat transfer from the chip, all groundpins on the DIP, PLCC and SOIC packages are directly connected to the mounting pad of the chip. Integral heat spreading lead frames directly connect the bond pads and ground leads to conduct heat from the chip junction to thePC Board for good heat dissipation. Applications include Solenoids, relays, lamps, steppers, small motors and displays.
Parametrics
CA3262E absolute maximum ratings: (1)Logic Supply Voltage: 7V; (2)Logic Input Voltage: 15V; (3)Output Voltage: 60V; (4)Output Sustaining Voltage: 40V.
Features
CA3262E features: (1)Independent Over-Current Limiting On Each Output; (2)Independent Over-Temperature Limiting On Each Output; (3)Output Drivers Capable of Switching 700mA Load; (4)Inputs Compatible With TTL or 5V CMOS Logic; (5)Suitable For Resistive, Lamp or Inductive Loads; (6)Power-Frame Package Construction For Good HeatDissipation.
Diagrams

![]() |
![]() CA3217 |
![]() Other |
![]() |
![]() Data Sheet |
![]() Negotiable |
|
||||
![]() |
![]() CA3224E |
![]() Other |
![]() |
![]() Data Sheet |
![]() Negotiable |
|
||||
![]() |
![]() CA3227 |
![]() Other |
![]() |
![]() Data Sheet |
![]() Negotiable |
|
||||
![]() |
![]() CA3227E |
![]() Intersil |
![]() IC TRANS ARRAY NPN HI-FREQ 16DIP |
![]() Data Sheet |
![]() Negotiable |
|
||||
![]() |
![]() CA3228 |
![]() Other |
![]() |
![]() Data Sheet |
![]() Negotiable |
|
||||
![]() |
![]() CA324 |
![]() Other |
![]() |
![]() Data Sheet |
![]() Negotiable |
|
||||
(Hong Kong)








